2015-05-08 10:07:50| 發布者: 河北品丞環保機械有限公司
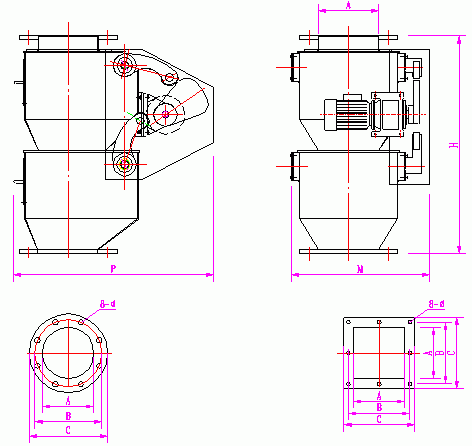
雙層翻板閥用于中、小型除塵器,它是機械式除塵器灰斗鎖氣、卸灰裝置。在水泥工業也是各種磨機、烘干機、料倉、筒庫和閉式輸送系統的鎖氣、卸灰裝置。雙層翻板閥的閥板在物料重力作用下自動開啟,物料下落后,配重杠桿系統使閥板自動復位,防止野風吹入,從而完成物料的輸送。翻板閥利用物料自重交互開啟,通過配備的杠桿系統,保證閥板可靠的復位,防止野風吹入。該閥為物料在重力作用下交替開閉自卸、重錘自動復位機構,具有轉動平穩、節能、卸灰量可調、卸灰鎖氣可靠的性能。有單門、雙門兩種結構,單門雙層翻板閥密封性能較好;雙門雙層翻板閥卸灰量較大。
雙層翻板閥結構緊湊,工作平穩可靠。雙層翻板閥普遍適用于建材、礦山、冶金、電力等行業的儲卸灰系統,作為各類除塵設備以及各種磨機、烘干機等設備的卸料裝置。雙層翻板閥是一種新型的快速電動控制卸灰裝置,采用錐形灰倉,帶斜角的密封面,卸灰 無磨損。

資料來源:http://m.avvl.cn/category/fbf/